扫码打开虎嗅APP
本文来自微信公众号:电子工程世界 (ID:EEworldbbs),作者:冀凯
根据Synergy Research Group的报告显示,截至2024年底,超大规模运营商运营的数据中心数量达到1136个,较2019年第四季度的不到600个大幅增加,意味着全球超大规模数据中心数量在过去五年中几乎翻了一番。
此外,未来几年规划中的数据中心项目数量自2022年3月以来增长了60%,从314个增加到2025年3月的504个。这些设施不再是过去单栋10兆瓦(MW)的数据中心,而是占地数百英亩、包含多栋建筑的100兆瓦以上大型园区。
今年年初,日本软银集团、OpenAI和甲骨文三家企业宣布将投资5000亿美元,打造“星际之门”项目,用于在美国建设支持AI发展的基础设施。
但与此同时,市场也有不同意见。“大型科技公司、投资基金和其他机构正纷纷从美国到亚洲各地仓促建设服务器基地,这种投资显得盲目,很多服务器基地在建设时并未明确考虑客户需求。”3月25日,据港媒报道,在2025年汇丰全球投资峰会上,阿里巴巴集团董事长蔡崇信指出,目前全球数据中心建设速度超出人工智能(AI)的初始需求,警告可能出现泡沫风险。
另外,微软取消的欧美数据中心项目总发电能力约2千兆瓦,这可能预示着“数据中心供应已超出当前需求预期”。
不过无论如何,大规模数据中心为支撑高强度的AI运算,其能源消耗在近年来呈几何倍数增长,这已经成为了不争的事实,部分超大型数据中心的年度耗电量甚至堪比一座小型城市。这不仅导致运营成本大幅增加,还对全球能源供应与可持续发展构成严峻挑战。
电源管理作为优化芯片功耗、提升能源利用效率的核心技术,以及功率密度提升所代表的芯片性能与空间利用的高效化追求,已然成为当下AI芯片领域的研究焦点与竞争高地。芯片公司也正在努力提升功率密度,应对未来AI产业发展需求。
以下节选了几家芯片公司发表的针对AI服务器的白皮书和最新见解,无论哪家公司都认为,未来硅不会消失,同时宽禁带半导体的需求将会越来越多。
安森美产品线经理Wonhwa Lee表示,散热是数据中心面临的一个重大挑战。据估计,当今大多数数据中心散热系统的电力消耗占比超过40%。实际上,对于电源效率,浪费的能源主要以热量形式散失,而这些热能又需要通过数据中心的空调系统排放出去。因此,电源转换效率越高,产生的热量就越少,相应地,在散热方面的电费支出也就越低。
数据中心内功率密度加速上升,大约十年前,每个机架的平均功率密度约为4至5 kW,但当今的超大规模云计算公司(例如亚马逊、微软或Facebook)通常要求每个机架的功率密度达到20至30 kW。一些专业系统的要求甚至更高,要求每个机架的功率密度达到100kW以上。因电源存放及散热空间有限,高功率密度要求电源设计紧凑且高能效,同时电源还需满足数据中心行业特定需求,如AI数据中心PSU需符合严格的Open Rack V3(ORV3)基本规范。近期新型AC-DC PSU标称输入范围200至277VAC,输出50VDC,ORV3标准要求在30%至100%负载条件下峰值效率超97.5%,10%至30%负载条件下最低效率达94%。
功率因数校正(PFC)级是PSU中AC-DC转换的关键组成部分,对于实现高能效非常重要。PFC级负责整形输入电流,以尽可能放大有用功率与总输入功率之比。为满足IEC 61000-3-2等法规中的电磁兼容性(EMC)标准,并确保符合ENERGY STAR®等能效规范,PFC设计也是关键所在。
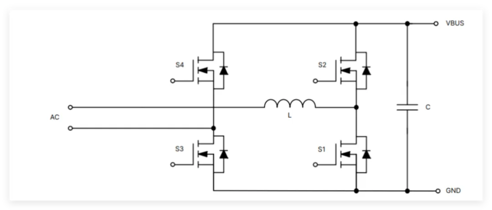
对于数据中心等许多应用,最好选用“图腾柱”PFC拓扑来设计PFC级。该拓扑通常用于数据中心3 kW至8 kW系统电源中的PFC功能块(下图)。图腾柱PFC级基于MOSFET,通过移除体积大且损耗高的桥式整流器,提高了交流电源的能效和功率密度。

图 :图腾柱 PFC 级
然而,为了实现超大规模数据中心公司要求的97.5%或更高的能效,图腾柱PFC需使用基于“宽禁带”半导体材料(如碳化硅(SiC))的MOSFET。如今,所有PFC级均采用SiC MOSFET作为快速开关桥臂,并使用硅基超级结MOSFET作为相位或慢速桥臂。
与硅MOSFET相比,SiC MOSFET性能更优、能效也更高,且稳健可靠,在高温下表现更出色,可以在更高的开关频率下运行。
与硅基超级结MOSFET相比,SiC MOSFET在输出电容中储存的能量(EOSS)较低,而这对于实现低负载目标至关重要,因为PFC级的开关损耗主要来源于EOSS和栅极电荷相对较高的器件。较低的EOSS可大大减少开关过程中的能量损失,从而提高图腾柱PFC快速桥臂的能效。此外,由于SiC器件具有出色的热导率,相当于硅基器件的三倍,因此与硅基超级结MOSFET相比,SiC MOSFET具有更好的正温度系数RDS(ON)。
下图为650V SiC MOSFET导通电阻与结温的关系。(结温为175℃时的导通电阻比室温时的导通电阻高1.5倍。)

图:650V SiC MOSFET导通电阻与结温的关系
同样,下图为650 V超级结MOSFET的导通电阻与结温的关系。结温为175℃时的导通电阻比室温下的导通电阻高2.5倍以上。

图:650 V硅基超级结MOSFET导通电阻与结温的关系
比较额定RDS(ON)类似的硅基650 V超级结MOSFET与650 V SiC MOSFET,在结温(Tj)为175℃时,前者的导通电阻RDS(ON)提高到约50 mohm,而此时后者的RDS(ON)约为30 mohm。在高温运行期间,650 V SiC MOSFET的导通损耗更低。
在图腾柱PFC慢速桥臂功能块和LLC功能块中,导通损耗占总功率损耗的大部分。SiC MOSFET在较高结温下的RDS(ON)较低,有助于提高系统能效。
得益于在高温下RDS(ON)增幅较小且EOSS出色,SiC MOSFET在图腾柱PFC拓扑中表现突出,更有助于提高能效并减少能量损失。
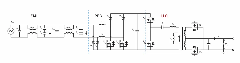
意法半导体表示,AI服务器作为支撑各类复杂AI运算的关键硬件,其电源(PSU)的性能表现成为了决定整个系统效能的重要因素。作为大功率AI服务器PSU领域的一项重大革新——混合式TCM/CCM控制策略在交错TTP PFC中扮演着重要角色。
先进控制策略成为必然选择,像TCM、CCM及交错图腾柱PFC技术,可优化电源性能,让PSU能快速响应负载变化,实现智能电力管理。模块化和可扩展性设计也极为关键,能满足多样化功率需求,便于维护和模块替换,提升系统可靠性。
此外,AI服务器运行产热多,高效冷却和热管理技术从风冷向液冷升级,保障系统稳定。增强故障容错和预测性维护功能,减少停机风险,确保电力持续供应,是PSU高可靠性的重要体现。
图腾柱PFC拓扑结构
图腾柱PFC拓扑结构在PSU设计中应用广泛,主要有单通道和交错式两种配置。单通道图腾柱PFC通常适用于4kW以下的功率场合,器件数量少、电路结构相对简单,控制简单,易于实现。

交错图腾柱PFC则适用于对功率和效率要求更高的大功率场景。它采用两相或三相交错的方式,工作模式更加灵活,可以是CCM、TCM,甚至是混合模式。在轻载情况下,通过采用TCM模式和相屏蔽技术,能够进一步提升效率,减少器件损耗,为高功率AI服务器PSU提供了更可靠的解决方案。
控制模式对比与选择
在PFC控制策略中,常见的有CCM(电流连续模式)、DCM(电流断续模式)、CRM(临界导通模式)和TCM(三角电流模式)。在本次讨论的方案中,重点采用了CCM和TCM的混合模式。
CCM的特点是电流连续,开关频率固定。这种模式在高功率、高稳定性要求的场合表现出色,因为其电流波纹低,能够提供相对稳定的电流输出,但其开关损耗较高,轻载时效率会有所下降。

TCM则是一种开关频率可变的控制模式,电流波形呈三角形。其优势在于轻载时开关损耗低,效率较高。与DCM和CRM相比,TCM和CCM更适合AI服务器PSU应用。DCM的电流断续特性导致其工作频率不稳定,且无法实现零电压开通,在效率和稳定性方面存在不足。CRM虽然也是变频模式,但同样没有零电压开通的优势,因此在本应用场景中未被重点考虑。而TCM和CCM结合,能够实现零电压开通,有效提升整体效率,满足AI服务器在不同负载情况下的需求。
混合式TCM/CCM控制模式具有多方面的显著优势:
优化效率:混合策略可根据负载情况在TCM和CCM之间切换,从而在广泛的工作点上优化效率。TCM在轻负载时由于开关损耗减少而更高效,而CCM在高负载时由于导通损耗较低而更高效。
减少纹波电流:两相/三相交错有助于显著减少输入和输出电流纹波。混合方法可以通过动态调整工作模式进一步优化纹波减少。
增强的热管理:在两相之间分配负载并在TCM和CCM之间切换可以带来更好的热性能和更均衡的热量散布。
改善瞬态响应:在TCM和CCM之间切换,使系统能够快速适应负载变化,提供更好的瞬态响应。
灵活性和可靠性:混合控制策略在设计和应用上提供了灵活性,使其适用于各种工作条件。它可以通过减少元件上的应力和改善热管理来提高PFC电路的可靠性。
滞环电流控制
在交错式TTP PFC中,实现混合式TCM/CCM控制模式的关键技术之一是滞环电流控制。通过设定电感电流的上下限,让电感电流在这个设定范围内波动,从而实现零电压开通,有效降低开关损耗。这种控制方式响应快,能够逐周期对电流进行精确控制,且工作模式切换灵活,可以根据实际需求在CCM、TCM或其他模式之间快速切换。但它对电感电流检测的要求较高。

电流检测方案
由于滞环电流控制对电感电流检测的高要求,电流传感器需要具备多种特性。它必须具备隔离功能,以确保电路的安全性;能够进行双向检测,因为电流存在正负方向;具有低损耗特性,以减少对系统效率的影响;实现快速响应和OCP保护,满足实时控制需求;具备高带宽,以适应变频信号。

ST目前采用的是一种复合方案,即将霍尔传感器与电流互感器(CT)结合使用。CT主要用于检测交流高频成分,即电感电流中的高频电纹电流部分;霍尔传感器负责检测工频成分。两者采集的信号叠加后,能够得到反映实际电感电流的原始信号。此外,ST也在对高带宽霍尔传感器进行评估,探索更优的电流检测解决方案。
在硬件层面,ST方案以STM32G474为核心控制芯片,搭配相关的功率器件,如不同类型的MOSFET等,构建起完整的控制电路。STM32G474具备强大的处理能力和丰富的外设资源,为实现复杂的控制算法提供了硬件基础。

方案利用STM32G474内部的DAC、快速比较器和高分辨率定时器(HRTIM)实现滞环控制、ZVS(零电压开关)控制和驱动信号输出。控制回路包含一个1kHz运行的电压外环,主要作用是稳定输出电压,使其保持在设定值;一个40kHz运行的电流内环,用于精确控制电感电流。同时,还引入了输入和输出前馈控制,有效防止输出电压波动,提高系统稳定性。
进入CCM模式有两种常见的实现方式,即固定纹波带和固定开关频率。以固定纹波带为例,如设定纹波带为4A,在这种情况下,整个控制过程是变频操作。另一种方式是固定开关频率,例如设定为70kHz,此时需要根据输入电压(Vin)、输出电压(Vout)、周期(T)和电感值(L)来计算电感器纹波。通过仿真,得到了不同方式下的电流波形。目前实际应用中采用的是固定纹波带的方式。

从测试结果来看,在2000W(纯TCM)、3500W(TCM/CCM混合)、4500W(CCM为主)等不同负载条件下,电流波形表现良好。例如,在2000W纯TCM模式下,电流波形交错良好;3500W混合模式时,CCM和TCM的切换区域过渡平稳;4500W以CCM为主时,CCM区间稳定工作。这些结果充分验证了方案的可行性和有效性,尤其是电流过零部分无明显畸变,表现理想,对PFC性能的提升效果显著,为AI服务器PSU的实际应用提供了可靠保障。

由此可见,混合式TCM/CCM控制策略在交错TTP PFC中的应用,为大功率AI服务器PSU带来了性能上的巨大提升。ST针对高功率AI服务器电源精心打造了专业设计套件,并提供全面的产品组合,充分满足多样化的设计需求,为AI服务器电源的发展注入强大动力。展望未来,该技术体系有望持续优化,为AI领域发展筑牢电力根基。
英飞凌表示,未来PSU中需要硅基、碳化硅和氮化镓的共同方案,从而在不同场景下充分发挥器件优势。
硅基器件的局限性:硅在功率电子领域长期占主导,但它在处理高电压、电流和频率方面存在物理限制,已接近理论极限,难以进一步提升效率和功率密度。
宽禁带器件的优势:SiC和氮化镓GaN具有更高的品质因数(FoM),在效率和功率密度方面表现更优。与硅晶体管相比,GaN晶体管输出电荷更低,无体二极管恢复问题,反向恢复电荷低,栅极电荷低,温度系数低;SiC MOSFET的反向恢复电荷低,导通电阻随温度变化小,输出电荷低且更线性,栅极电荷低。
混合技术的好处:将SiC和GaN技术与现有的硅基设计相结合,能在效率、功率密度和整体性能方面带来显著优势。

图:几种产品的FOM比较
英飞凌的创新PSU解决方案通过结合Si、SiC和GaN技术的混合组件方法,优化了每个阶段,实现了高功率密度和效率,降低了能源损失和提高了热性能。这些PSU解决方案功率评级为3kW至12kW,基准效率为97.5%,适用于下一代AI数据中心,有助于降低数据中心的碳足迹。

以英飞凌8kW PSU参考设计为例:

无桥图腾柱PFC级:该参考板的无桥图腾柱PFC级采用碳化硅,有助于提高效率和可靠性。无桥图腾柱PFC拓扑能够减少传统PFC拓扑中桥式整流器的功率损耗,从而提升整体效率。比如在满足80 Plus钛金认证(要求端到端峰值效率超过96%,意味着PFC级效率必须高于98.6%)时,传统PFC拓扑因桥式整流器功率损耗难以达到这一标准,而无桥图腾柱PFC拓扑仅需一个PFC电感,且能在整个交流周期内进行升压操作,可实现高功率密度和高效率的PSU设计。
高频LLC级:高频LLC级采用了CoolGaN开关,其较低的电容特性使得开关速度更快,能够减少开关过程中的能量损耗。在高频应用场景下,GaN晶体管的这一优势尤为明显,有助于提高电源的功率密度和整体效率。在一些高频电源转换电路中,GaN晶体管可以实现更快的开关动作,降低开关损耗,进而提升整个电源系统的性能。
硅功率开关的应用:在PFC和DC-DC阶段的整流环节使用硅功率开关,这是因为在这些环节中开关损耗极小,而硅功率开关具有极低的导通电阻,能够充分利用这一特性来最小化导通损耗,进一步提升电源的效率。在实际的电源设计中,通过合理选择硅功率开关,可以有效降低整流过程中的能量损失,提高电源的整体性能。
高效率:达到97.5%的基准效率。
低冷却需求优化:设计优化减少了冷却工作量。
高功率密度:功率密度达到100W/in³,是ORv3规格的两倍。高功率密度使得PSU在有限的空间内可以提供更大的功率输出。
纳微半导体也表示,硅基电源具有很多局限性。
以12V、1.5kW的CRPS为例,采用LLC拓扑设计需平衡变压器绕组、同步整流器开关和导通、电源终端等损耗。提高开关频率可减小磁性元件尺寸,但会增加终端损耗;使用多个变压器可避免终端损耗,但会增大体积。
频率限制:市场上CRPS LLC转换器典型开关频率100-150kHz,1.5kW服务器PSU开关频率达600kHz,超出硅功率MOSFET实际极限,需用氮化镓高电子迁移率晶体管作为同步整流器以满足80 PLUS Titanium效率要求。
GaN技术在电源中的应用与挑战应用优势:GaN晶体管在高开关频率下性能优越,纳微基于此设计出多千瓦CRPS参考方案,如4.5kW、单54V输出、300kHz开关频率的设计,满足CRPS 185mm尺寸要求。

不过氮化镓也会面临一些挑战,比如GaN MOSFET栅极电压范围为-10V-7V,阈值电压1V-2V,相比硅MOSFET更脆弱。电压尖峰、振铃等异常情况易损坏其栅极,如低侧晶体管关断时会使栅源电压(VGS)出现负尖峰,栅极回路电感和高di/dt共同作用会导致VGS振铃,还存在直通电流风险。

纳微的解决方案是将优化的栅极驱动器与GaN HEMT集成在同一封装内,控制驱动器与栅极间的电感和电阻值,降低栅极回路电感,防止峰值电压过高;利用封装内集成的保护功能,简化电源设计。
结合GeneSiC MOSFET,实现无桥图腾柱功率因数校正(PFC)在连续导通模式下高效运行,打造出4.5kW的CRPS185模块,功率密度达137W/in³,远超硅基技术。
另外,纳微刚刚宣布与兆易创新GigaDevice达成战略合作伙伴关系,通过将兆易创新先进的高算力MCU产品和纳微半导体高频、高速、高集成度的氮化镓技术进行优势整合,打造智能、高效、高功率密度的数字电源产品,并配合兆易创新的全产业链的管理能力与纳微对系统应用的深刻理解,加速在AI数据中心、光伏逆变器、储能、充电桩和电动汽车商业化布局。作为战略合作的重要组成部分,兆易创新还将与纳微半导体携手共建联合研发实验室,融合双方的技术专长和生态资源优势,驱动智能、高效电源管理方案的创新升级。
GaN可实现高频开关,这样可减小无源器件的尺寸,从而增加密度。与硅和碳化硅的相比,GaN还可降低开关、栅极驱动和反向恢复损耗,从而提高电源设计效率。可以使用650V GaN FET进行AC/DC至DC/DC转换,以及使用100V或200V GaN FET进行DC/DC转换以实现电源供应。

针对650V电源,德州仪器集成650V TOLL氮化镓,可以通过PFC和DC/DC级将交流电源转换为直流总线,德州仪器采用TOLL封装的GaN器件可在PFC级实现超过99%的效率,在DC/DC级实现超过98%的效率。
针对100V至200V GaN,有三个可能的系统:
电源单元(PSU):开放计算项目的变化正在提升48V输出的热度;然而,所需80V和100V硅解决方案的损耗(栅极驱动和重叠损耗)相较于以前的解决方案有大幅增长。诸如LMG3100等GaN解决方案有助于尽可能减小电感-电感-电容器级(LLC级)次级侧同步整流器中的上述损耗。
中间总线转换器(IBC):此系统将PSU输出的中间电压(48V)转换为较低的电压,然后传送至服务器。随着48V电压电平的流行,IBC有助于减少服务器子系统中的I 2R损耗,并使汇流条和电力传输线的尺寸和成本都得到降低。IBC的缺点是其在电源转换中又增加了一步,可能会对效率产生影响。因此,除了OEM经测试可获得高效率和高功率密度最佳组合的几种新拓扑外,请务必充分利用LMG2100和LMG3100等高效GaN器件。
电池备份单元:降压/升压级通常将电池电压(48V)转换为总线电压(48V)。当市电线路断电且电力流为双向时,您也可以使用BBU进行电池电源转换。不间断电源之所以使用此级,是因为它仅通过电池直接执行一次直流/直流转换,避免了由直流/交流/直流转换引起的损耗。
日前,长城电源表示已在其面向AI数据中心的钛金级电源中采用Innoscience氮化镓(InnoGaN)技术,实现了96%以上的超高电源转换效率,超越全球最高80PLUS钛金级能效标准。
针对服务器电源的能耗困局,英诺赛科率先推出采用To-247-4封装,集成栅极驱动和短路保护的E-GaN功率IC(ISG612xTD SolidGaN),耐压700V,Rdson范围为22~59mΩ。该系列产品集成精密Vgs栅极驱动器,具备快速短路保护和出色的热性能,能够满足Titanium Plus效率的高频开关,相比传统方案,功率密度提高一倍以上。
OCTC《高功率密度服务器电源模块化设计白皮书(2024)》显示,在占服务器80%运行时间、处于20%-50%的典型负载区间时,氮化镓钛金电源转换效率可稳定在95.5%-96%以上,有效避免了因“效率断层”导致的隐性能耗。长城服务器电源率先采用英诺赛科合封芯片ISG6122TD和ISG6123TD,与传统电源相比,其轻中载电能损耗可减少至少30%,在20%-50%典型负载区间较传统电源提升达4个百分点,实现了超过96%的转换效率。据测算,采用氮化镓钛金电源方案,每万台服务器每年可节省电费超200万元,发热量减少50%,带动空调能耗降低18%。有力推动智算中心PUE向1.2以下突破,实现了“节能+散热”的双重收益。
无论是氮化镓还是碳化硅,目前在AI服务器领域已经逐步成熟,也将越来越得到市场的青睐,尤其是随着功率密度、效率、尺寸、转换频率等等一系列需求的增长,未来这一市场还将持续火热。